YBF2/112-355型風機專用隔爆型三相異步電動機
名稱:YBF2/112-355型風機專用隔爆型三相異步電動機
如果您對此產品有興趣請將您的手機號碼輸入上方方框,我們的客服在第一時間內與您聯系,為您詳細介紹產品信息,不會對您的手機產生任何費用。
出品單位:南洋防爆電機有限公司
在線QQ咨詢:
2459639887
咨詢電話:0394-8211900 13949954626
下載產品資料 立即訂購
產品詳細介紹
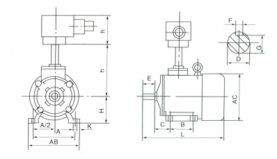
基本參數
電動機主體外殼防護等級為IP44或IP54,接線盒為IP54。
冷卻方式:IC411
頻 率:50Hz
安裝形式:IMB3
額定電壓:380V、660V、380/660V
工作方式:連續(S1)

